首页
公司介绍
公司介绍
联系我们
工程案例
产品中心
产品展示
人才招聘
人才招聘
社会招聘
联系我们
公司介绍
联系我们
公司介绍
联系我们
产品中心
产品中心
首页
->
产品中心
阀门安装尺寸及工作范围
通风柜监视器
区域状态传感器
位移传感器
温湿度传感器
就地显示器(LDU)
通风控制解决方案
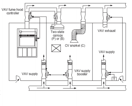
通风柜阀门应用
低泄露关闭阀门性能
路由器和中继器模块
集成服务器
网站首页
|
公司简介
|
产品中心
|
人才招聘
|
联系我们
上海洛铭电子工程技术有限公司
沪ICP备11034854号